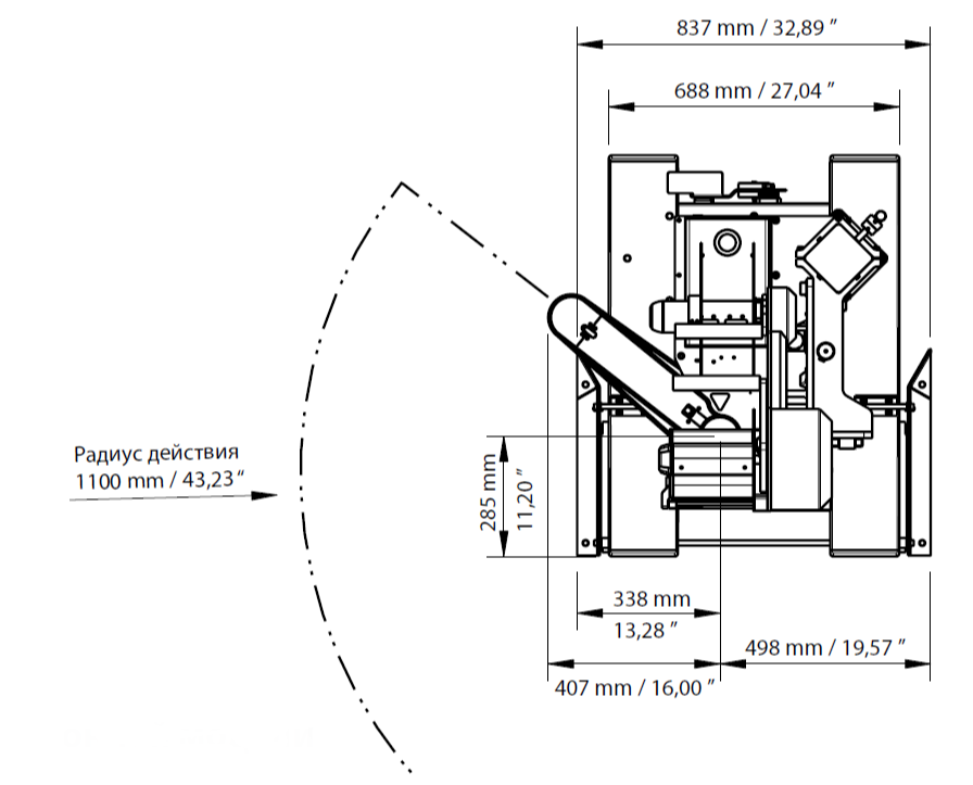
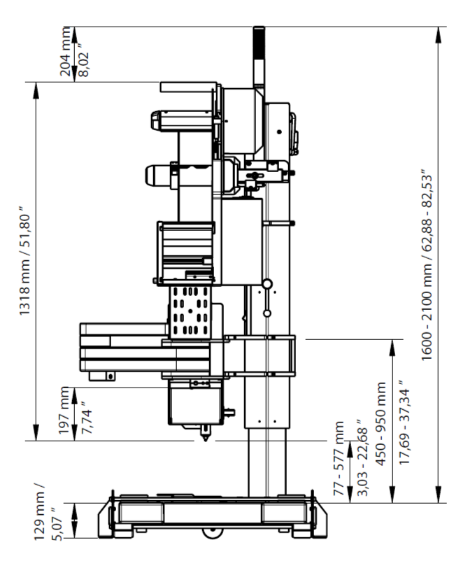
Технические характеристики

Производитель
Markem-Imaje
Печатающая головка
2620 : ширина 168 мм, разрешающая способность 8 точек/мм
Версия аппликатора
левая, правая
Скорость печати, мм/с
300
Скорость линии, м/мин
до 25
Интерфейс связи
Ethernet 10/100, RS-232
Давление воздуха, бар
6

Нужны особые параметры?

Прикрепите ваше тех. задание и напишите, что нужно изменить. Разработаем индивидуальное предложение по вашим параметрам

Ваше имя
Телефон
Email
Комментарий

Прикрепите или перетащите файл с тех. заданием

В формате PDF, xlsx не более 20Мб

Нажимая кнопку «Отправить, я соглашаюсь с политикой конфиденциальности